Back to All Models
SQML 160
High-load performance for demanding installations
- Up to 1250 kg carrying capacity
- 240 mm, 320 mm and 400 mm traction sheave options
- 1:1 and 2:1 suspension options
Static Load
2,800 kg
Poles
88
Voltage
380V

Technical Specifications
All configurations and performance data
1:1Suspension
| Motor Nr. | Motor Code | Load (kg) | Speed (m/s) | Sheave | Ropes | Torque (Nm) | Speed (rpm) | Current (A) | Power (kW) |
|---|---|---|---|---|---|---|---|---|---|
| a | 160-200 | 630 | 1.0 | Ø240 | 12 x 6,5 | 540 | 80 | 13.5 | 4.4 |
| b | 160-200 | 630 | 1.6 | Ø240 | 12 x 6,5 | 540 | 127 | 23.3 | 7.2 |
| c | 160-200 | 800 | 2.5 | Ø400 | 4 x 10 | 540 | 239 | 43.5 | 13.5 |
2:1Suspension
| Motor Nr. | Motor Code | Load (kg) | Speed (m/s) | Sheave | Ropes | Torque (Nm) | Speed (rpm) | Current (A) | Power (kW) |
|---|---|---|---|---|---|---|---|---|---|
| d | 160-160 | 1,000 | 1.0 | Ø320 | 6 x 8 | 533 | 119 | 24.5 | 6.6 |
| e | 160-200 | 1,000 | 1.6 | Ø320 | 6 x 8 | 533 | 191 | 34 | 10.7 |
| f | 160-200 | 1,250 | 1.0 | Ø240 | 11 x 6,5 | 500 | 159 | 26 | 8.3 |
| g | 160-200 | 1,250 | 1.6 | Ø240 | 11 x 6,5 | 500 | 255 | 40.4 | 13.4 |
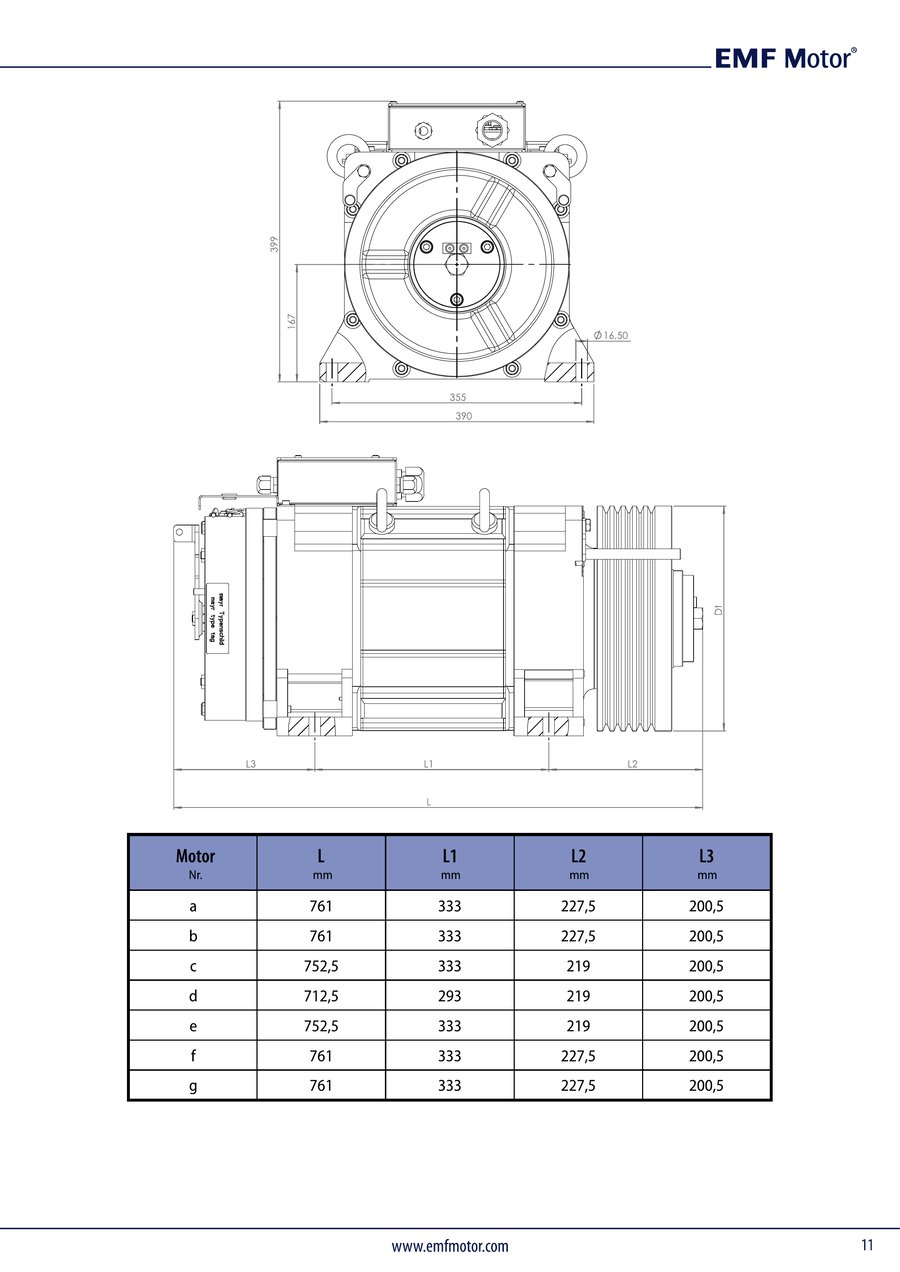
Technical Drawing & Dimensions
Detailed dimensions for installation and planning
Important Notes
- ●6.5 mm rope must be certified
- ●Drake 250T rope is considered for the calculations
- ●Heidenhain ECN1313 EnDat encoder is standard. Please contact us for BiSS option
- ●Intorq - Kendrion Safety Brake
- ●Brake supply voltage is 207 VDC
- ●80% lift shaft efficiency is considered for the calculations
- ●Compensation rope must be used over 24 m travel distance
- ●Travel distance is considered 35 - 45 m for 2 m/s and higher cabin speeds
- ●Sheave groove angles are 50° for 240 mm sheave diameter and 45° for 320 mm and 400 mm sheave diameter
- ●Hardness of the sheaves is 46-50 HRC
- ●IP54 is optional
Get Information About SQML 160
Contact our expert team to determine the right configuration for your project.
